Каталог
Каталог Написать в WhatsApp
Мотоэкипировка

Зажим и поворотный кронштейн в сборе 2-х тактного ПЛМ MERCURY 40 M Серийный номер от 9251456 и выше

Зажим и поворотный кронштейн в сборе 2-х тактного ПЛМ MERCURY 40 M Серийный номер от 9251456 и выше в Краснодаре: актуальный каталог, цены, фото, описание. Купите зажим и поворотный кронштейн в сборе 2-х тактного плм mercury 40 m серийный номер от 9251456 и выше в кредит – оформите заявку онлайн за 1 минуту!

Оригинальные запчасти

Артикул НАИМЕНОВАНИЕ Кол-во деталей в узле Примечание Наличие Цена Аналоги Фото
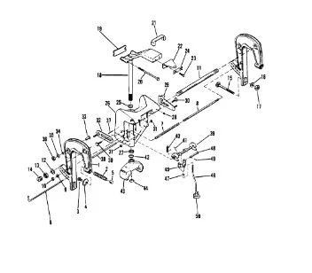
1 5611A5 CLAMP BRACKET ASSEMBLY (MANUAL)

Под заказ

2

Под заказ

уточнить

Купить
2 5611A4 CLAMP BRACKET ASSEMBLY (ELECTRIC)

Под заказ

2

Под заказ

уточнить

Купить
3 90470A3 THUMB SCREW ASSEMBLY (MANUAL)

Под заказ

2

Под заказ

уточнить

Купить
4 78492A1 THUMB SCREW ASSEMBLY (ELECTRIC)

Под заказ

2

Под заказ

уточнить

Купить
5 78495 SCREW, WASHER TO THUMB SCREW

Под заказ

2

Под заказ

уточнить

Купить
6 78493 WASHER, THUMB SCREW

Под заказ

2

Под заказ

уточнить

Купить
7 75043 CAP, THUMB SCREW (ELECTRIC)

Под заказ

2

Под заказ

уточнить

Купить
8 8M0026068 PIN ASY-TILT

Под заказ

1

Под заказ

уточнить

Купить
9 59623 SPACER, CLAMP BRACKET STUD

Под заказ

1

Под заказ

уточнить

Купить
10 59625 STUD, CLAMP BRACKET

Под заказ

1

Под заказ

уточнить

Купить
11 26993 Шайба (LOCKWASHER@5)

Под заказ

2

Под заказ

уточнить

Купить
12 28770 NUT, CONTROL CABLE

Под заказ

2

Под заказ

уточнить

Купить
13 8M0041936 TILT TUBE

Под заказ

1

Под заказ

уточнить

Купить
14 52864 WASHER, TILT TUBE

Под заказ

6

Под заказ

уточнить

Купить
15 858869 Гайка (NUT, (.875-14))

Под заказ

2

Под заказ

уточнить

Купить
16 53078 CAP, PLASTIC - TILT TUBE

Под заказ

2

Под заказ

уточнить

Купить
17 68298 BOLT, CLAMP BRACKET TO TRANSOM (3-1/4")

Под заказ

2

Под заказ

уточнить

Купить
18 68410 WASHER, LEVER AND ARM SCREW

Под заказ

2

Под заказ

уточнить

Купить
19 82671112 NUT, (.375-16 )

Под заказ

2

Под заказ

уточнить

Купить
20 88798A23 SWIVEL PIN ASY SH

Под заказ

1

Под заказ

уточнить

Купить
21 88798A24 SWIVEL PIN ASY LG

Под заказ

1

Под заказ

уточнить

Купить
22 69540A3 SWIVEL PIN ASSEMLBY (SHORT SHAFT) - ELECTRIC

Под заказ

1

Под заказ

уточнить

Купить
23 69540A4 SWIVEL PIN ASSEMBLY (LONG SHAFT ) - ELECTRIC

Под заказ

1

Под заказ

уточнить

Купить
24 30711 BUMPER, STEERING ARM

Под заказ

1

Под заказ

уточнить

Купить
25 66897 BOLT, UPPER MOUNT TO SWIVEL PIN (5-1/4")

Под заказ

2

Под заказ

уточнить

Купить
26 62297 BUMPER, STEERING ARM W/O TILLER HANDLE

Под заказ

1

Под заказ

уточнить

Купить
27 76535T BRACKET

Под заказ

1

Под заказ

уточнить

Купить
28 34352 SCREW, BRACKET (7/8")

Под заказ

2

Под заказ

уточнить

Купить
29 76533 STRAP, BRACKET SCREW

Под заказ

1

Под заказ

уточнить

Купить
30 52865 Шайба

Под заказ

1

Под заказ

уточнить

Купить
31 7656A1 SWIVEL BRACKET ASSEMBLY (SHORT SHAFT)

Под заказ

1

Под заказ

уточнить

Купить
32 7655A1 SWIVEL BRACKET ASSEMBLY (LONG SHAFT)

Под заказ

1

Под заказ

уточнить

Купить
33 32911 Сальник

Под заказ

2

Под заказ

уточнить

Купить
34 74036 Смазочный фиттинг (GREASE FITTING - EARLY STYLE)

Под заказ

3

Под заказ

уточнить

Купить
35 47913A2 LEVER ASSEMBLY, TILT LOCK - PORT SIDE

Под заказ

1

Под заказ

уточнить

Купить
36 69087 SCREW

Под заказ

2

Под заказ

уточнить

Купить
37 47912A2 LEVER ASSEMBLY, TILT STOP - STARBOARD SIDE

Под заказ

1

Под заказ

уточнить

Купить
38 47911 BUSHING, TILT LOCK AND STOP LEVER

Под заказ

2

Под заказ

уточнить

Купить
39 34632 WASHER, WAVE-CHOKE SHUTTER SCREW

Под заказ

2

Под заказ

уточнить

Купить
40 56720 Шайба 0,33х0,75х0,06 дюймов (WASHER)

Под заказ

2

Под заказ

уточнить

Купить
41 29250 NUT, BRACKET SCREW

Под заказ

2

Под заказ

уточнить

Купить
42 25598 PIN, REVERSE LOCK SPRING ATTACHING

Под заказ

1

Под заказ

уточнить

Купить
43 56349 SHAFT, REVERSE LOCK PIVOT

Под заказ

1

Под заказ

уточнить

Купить
44 87430 REVERSE LOCK ASSEMBLY

Под заказ

1

Под заказ

уточнить

Купить
45 14664A3 REVERESE LOCK

Под заказ

1

Под заказ

уточнить

Купить
46 29821 SPRING, REVERSE LOCK TENSION

Под заказ

1

Под заказ

уточнить

Купить
47 45882 COTTER PIN, REVERSE LOCK TO SHAFT

Под заказ

1

Под заказ

уточнить

Купить
48 25176 WASHER, SWIVEL PIN TO BOTTOM YOKE (.060)

Под заказ

1

Под заказ

уточнить

Купить
49 77416T1 YOKE-BOTTOM-BLACK

Под заказ

1

Под заказ

уточнить

Купить
50 77415 Стопор (RETIANING RING, BOTTOM YOKE)

Под заказ

1

Под заказ

уточнить

Купить
51 59722 ROD END, PUSH ROD

Под заказ

1

Под заказ

уточнить

Купить
52 89813 ROD END, PUSH ROD

Под заказ

1

Под заказ

уточнить

Купить
53 59721 ROD, PUSH - REVERSE LOCK (SHORT SHAFT)

Под заказ

1

Под заказ

уточнить

Купить
54 59720 ROD, PUSH - REVERSE LOCK (LONG SHAFT)

Под заказ

1

Под заказ

уточнить

Купить
55 43412A2 PUSH ROD ASSY

Под заказ

1

Под заказ

уточнить

Купить
56 43413A2 PUSH ROD ASSY

Под заказ

1

Под заказ

уточнить

Купить
57 72524 PIN, REVERSE LOCK LEVER

Под заказ

1

Под заказ

уточнить

Купить
58 25191 Шплинт (PIN-COTTER @2)

Под заказ

1

Под заказ

уточнить

Купить
59 933361 Направляющая (GUIDE-SHIFT SHAFT (AN ASSEMBLY AIDE)

Под заказ

1

Под заказ

уточнить

Купить

Нулевая цена не означает отсутствие товара. Оформите заказ, и менеджер сообщит вам цену и наличие товара, предварительно запросив их у поставщика

Главная Магазины
Корзина0
Профиль